-
Multi-Channel
Tissue/Organ Baths
-
Bio-sensors and Transducers
-
Micro Vessel Needle and Wire Myograph
-
Surgical & Dissection
Instruments
-
Bio-Amplifiers,
Probes & Electrodes
-
Transducers & Bridge Amp
-
Data Acquisition System
-
Precision Microscopes
-
Linear Stages &
Micro-manipulators
-
Quality Lab Supplies
| 3D
Micro 3D
Micro for Optics Mini
1D Positioner Motorized 1D Micro Space Optical Filter Non-rotating Micrometer Gallium Linear Stages & Micromanipulators For physics, bioscience and laser optics labs or industries |
|||||||||||||||
|
The
Gallium manual or motorized linear stages and micromanipulators are
used for micro-positioning and micro-driving of optical lens, fiber
optic, electrodes, probes, and many other devices. They feature linear
ball bearing guide, micrometer head drives, solid structure design and
precision fabrications, which make them highly accurate and consistent.
|
|||||||||||||||
![]() |
Gallium
Manual Side Mount 3D Linear Stages
Model:
Features:
|
||||||||||||||
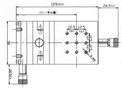
Gallium MAM305 XYZ Linear Stage Specifications Travel
(X, Y, Z)
Resolution
Reading
Platform
Size
Outside
Mount Thread
Thread
Spacing
Base
Mount
Max
Weight Carried
|
|||||||||||||||
![]() |
|||||||||||||||
|
|
|||||||||||||||
GOM-200
Holding Clamp Specifications 2D
Angle Adj.
Angle
Adj. Resolution
Clamped
Object Height
Clamp
Height
Clamp
Width
|
|||||||||||||||
|
|
|||||||||||||||
![]() |
Gallium Manual 3D Integrated Linear Stage Model: Features:
|
||||||||||||||
![]() |
|||||||||||||||
|
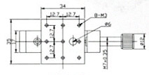
Gallium MAM315 Specifications Lens
Mount Through Hole
Outside
Mount Threads
Mount
Thread Spacing
Travel
(X, Y, Z)
Resolution
Reading
Base
Mount
Max
Weight Carried
|
|||||||||||||||
|
|
|||||||||||||||
![]() |
Gallium
Manual Miniature 1D Linear Stage Model:
Features:
|
||||||||||||||
|
Gallium MAP105 Specifications |
|||||||||||||||
![]() |
|||||||||||||||
|
|
|||||||||||||||
![]() |
Gallium
Motorized 1D Micropositioner Model: Model: Features:
|
||||||||||||||
| Gallium
(MOM305/MOM315) Specifications:
Platform Sizes |
|||||||||||||||
|
|
|||||||||||||||
![]() |
Precision
Space Optical Filter 1D Linear Stage Model: Features:
|
||||||||||||||
| Specifications
Total Travel
|
|||||||||||||||
|
|
|||||||||||||||
|
|
|||||||||||||||
| Clamp
Adapter Model: CA100 (Ø12 to Ø16mm) $39 |
Non-rotating Micrometers (NRM100) | ||||||||||||||
![]() |
Specifications Reading: Resolution: Accuracy: Travel: Mount (Ø) : Spindle (Ø) : Overall Length: |
||||||||||||||
| NRM100............$58 | |||||||||||||||
![]() |
|||||||||||||||
| The precision non-rotating micrometer (NRM100)heads are especially useful for micro-measurement or micro-adjustment applications where rotation of micrometer thimble generatesonly forwarding but not rotating mo-tion of its spindle. The GTM series micrometer heads are accurate and inexpensive. Their popular sizes m-ake them the best replacements for expensive micro-meters. | |||||||||||||||










